%
O0006 ;
G21 G40 ;
G28 U0. ;
G28 W0. ;
T0101 ;
G0 Z10. ;
Z5. ;
X33. ;
Z2. ;
M8 ;
S1000 M3 ;
G71 U1.2 R1. ;
G71 P10 Q30 U0.4 W0.2 F0.1 ;
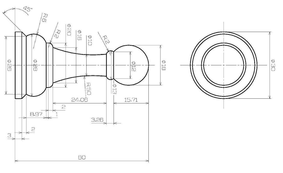
N10 G1 X0. ;
N12 Z0. ;
N14 G3 X12. Z-15.71 R9. ;
N16 G3 X10. Z-18.97 R2. ;
N18 G2 X16. Z-43.03 R50. ;
N20 G3 X20. Z-45.03 R2. ;
N22 G1 X20. Z-46.03 ;
N24 G3 X26. Z-55. R6. ;
N26 G1 X30. Z-57. ;
N28 X30. Z-65. ;
N30 X32. ;
G0 X33. ;
M9 ;
M5 ;
G28 U0. ;
G28 W0. ;
O0006 ;
G21 G40 ;
G28 U0. ;
G28 W0. ;
T0101 ;
G0 Z10. ;
Z5. ;
X33. ;
Z2. ;
M8 ;
S1000 M3 ;
G71 U1.2 R1. ;
G71 P10 Q30 U0.4 W0.2 F0.1 ;
N10 G1 X0. ;
N12 Z0. ;
N14 G3 X12. Z-15.71 R9. ;
N16 G3 X10. Z-18.97 R2. ;
N18 G2 X16. Z-43.03 R50. ;
N20 G3 X20. Z-45.03 R2. ;
N22 G1 X20. Z-46.03 ;
N24 G3 X26. Z-55. R6. ;
N26 G1 X30. Z-57. ;
N28 X30. Z-65. ;
N30 X32. ;
G0 X33. ;
M9 ;
M5 ;
G28 U0. ;
G28 W0. ;
M01 ;
T0202 ;
G0 Z10. ;
Z5. ;
X33. ;
Z2. ;
M8 ;
S1200 M3 ;
G70 P10 Q30 F0.05 ;
G0 X33. ;
M9 ;
M5 ;
G28 U0. ;
G28 W0. ;
M30 ;
%








0 comments:
Đăng nhận xét